这款6W感应交流齿轮电机是-款高效、紧凑、可靠的小型电机,适用于各种工业和家用应用。电机框架60mm x 60mm,便于在空间受限的环境中安装。可用于单相110V至三相220V的电...
CH22/CV22-550W-(标准框1:3~10数比) (缩框1:15~90数比) 尺寸图

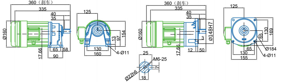
CH32/CV32-550W (1:210 以上数比) 尺寸图

物流输送
自动化机器人
激光切割
门禁道闸行业
光伏电站
医疗器械
AGV





|
电机参数 |
||||||||
|
功率(kW) |
类型 |
电压(V) |
频率(Hz) |
额定电流(A) |
额定值(rmp) |
电容(μF) |
绝缘等级 |
保护方式 |
|
0.55kW 3/4HP |
三相 |
220V/380V |
50Hz |
2.6A/1.5A |
1420rmp |
/ |
F |
IP54 |
|
减速比 |
3 |
5 |
10 |
15 |
20 |
25 |
30 |
40 |
50 |
60 |
70 |
80 |
90 |
100 |
120 |
140 |
160 |
180 |
200 |
300 |
1200 |
1800 |
|
|
出力轴回转数 |
50Hz |
500 |
300 |
150 |
100 |
75 |
60 |
50 |
37 |
30 |
25 |
21.4 |
18.8 |
16.7 |
15 |
12.5 |
10.7 |
9.4 |
8.4 |
7.5 |
5 |
1.25 |
0.83 |
|
60Hz |
600 |
360 |
180 |
120 |
90 |
72 |
60 |
45 |
36 |
30 |
25.7 |
22.5 |
20 |
18 |
15 |
12.9 |
11.3 |
10 |
9 |
6 |
1.5 |
1 |
|
|
输出转矩kg/m |
50Hz |
1 |
1.7 |
3.5 |
5.2 |
6.9 |
8.6 |
10.4 |
13.4 |
16.8 |
20.1 |
23.9 |
27 |
30 |
33.1 |
39.8 |
45.9 |
52 |
58.8 |
63 |
101.4 |
101.4 |
101.4 |
|
60Hz |
0.9 |
1.5 |
2.9 |
4.4 |
5.8 |
14.4 |
8.8 |
11.2 |
14 |
16.8 |
19.9 |
22.5 |
25.1 |
27.6 |
33.2 |
38.3 |
43.5 |
49 |
52.5 |
81.9 |
81.9 |
81.9 |
|
表中转速是以电机 50Hz/60Hz 的额定转速 1420r.min/1732r.min 为基数计算出来的数值。
实际转速将随负载大小而少量变化,变化范围为+5%左右。
浙江赛亚智能制造有限公司成立于2009年,拥有15年的行业积累,是一家专业生产,销售微型交流齿轮减速电机、小型减速电机,直流有刷和无刷减速电机、伺服专用精密行星减速器、电动滚筒等产品的高新技术企业。
赛亚电机及减速器广泛应用于工业机器人、新能源机械、智能物流、AGV人形机器人等先进领域。此外,他们在食品加工,包装,纺织,电子,医疗设备和专业机械方面发挥着关键作用,为不同行业提供具有成本效益和差异化的解决方案。
为了增强差异化优势和成本效益,我们在杭州设立了销售总部——杭州赛亚传动设备有限公司,毗邻上海和宁波港,处理国内和海外业务。通过实施市场创新和经营模式创新,直销与经销相结合,确保分销和客户支持,为所有客户提供高端经济可靠的解决方案。
的 行星齿轮箱 是现代机械传动中至关重要的减速齿轮,广泛应用于自动化设备、机器人、精密仪器、新能源机械等领域。其核心结构采用太阳轮、行星齿轮、齿圈组合,通过多齿轮配合传递动力,实现高效率、大扭矩、结构紧凑。与传统的齿轮传动相比,行星齿轮减速机在空间利用率和承载能力方面具有显着的优势。 的 design philosophy of planetary gear...
查看详情在现代工业和自动化设备的发展中, 微型交流齿轮电机 已成为精密机械、智能设备、家用电器高效运行的重要动力源。随着技术的不断升级,微型交流齿轮电机在结构设计、性能优化、应用范围等方面不断拓展,为各行业提供可靠、高效的动力解决方案。 微型交流齿轮电机的核心结构及工作原理 微型交流齿轮电机的基本结构主要由电机本体和齿轮减速系统组成。电机本体通常采用高效节能的...
查看详情有刷直流减速电机 作为传统直流电机与齿轮减速机构相结合的复合动力装置,以其结构成熟、控制方便、成本优势显着,在工业设备、智能家居、自动化系统、轻载传动等领域发挥着至关重要的作用。随着精密制造和智能控制技术的发展,电机在输出效率、噪声控制、寿命稳定性、传动精度等方面不断提升,成为众多传动场景的核心动力部件。分析其结构机理、运行特点、应用趋势,有助于深入了解其技术价值和...
查看详情随着现代自动化、智能化设备的不断发展, 小型交流齿轮电机 已成为工业设备、智能家电、自动控制系统的关键驱动部件。它们以其稳定的运行性能、紧凑的结构设计、优异的传动效率在许多领域发挥着不可替代的作用。 一、小型交流齿轮电机的结构特点及工作原理小型交流齿轮电机由交流电机和减速箱组成。它们的核心功能是通过电机产生旋转动力,然后通过齿轮系统减速和放大,以实现精确稳定...
查看详情作为现代机械传动系统的关键部件, 精密行星齿轮箱 以其高效率、高负载能力、结构紧凑而广泛应用于工业自动化、机器人、航空航天、精密仪器仪表等领域。随着智能制造的快速发展,对精密行星齿轮箱的性能、稳定性、可靠性提出了更高的要求,带动了相关技术的不断创新和优化。 精密行星齿轮箱的结构特点 精密行星齿轮箱的核心在于其独特的齿轮布置。与传统的平行轴齿轮传动相比,...
查看详情在现代自动化和智能制造中, 无刷直流齿轮电机 正在成为驱动系统的重要组成部分。这些电机具有高效率、低噪音、长寿命等显着优点,广泛应用于机器人、医疗设备、智能家居、自动化生产线和精密控制系统。随着工业自动化和新能源技术的不断进步,无刷直流减速电机的性能和技术水平也在不断提高,成为产业升级的关键驱动力。 1.无刷直流减速电机的结构和工作原理 无刷直流齿轮电...
查看详情结构及工作原理 行星齿轮电机 行星齿轮电机是一种集电机与行星齿轮减速机构于一体的高性能动力装置。以其高扭矩输出、紧凑的设计和高传动效率而闻名。其核心由太阳轮、行星齿轮、内齿圈、行星架组成。行星齿轮在太阳轮和内齿圈之间旋转,形成多齿啮合传动。这种设计在有限的空间内实现了更大的减速比,使电机能够输出更大的功率,同时保持较小的占地面积。 当电机运转时,动力通过...
查看详情微型交流齿轮电机 日益成为现代工业自动化、智能设备、家用电器的核心驱动部件。由于尺寸小、结构紧凑、运行平稳、控制精确,这些电机越来越多地应用于高性能设备,推动各种产品的创新和优化。 微型交流齿轮电机的核心结构及原理 微型交流齿轮电机的核心结构主要由电机本体、齿轮减速机构和输出轴组成。电机本体通常采用高效交流电机,具有稳定的电磁特性和优异的耐热性。齿轮减速...
查看详情随着电力驱动和自动化控制的快速发展, 有刷直流齿轮电机 正在成为众多机械设备和智能设备的核心部件。基于有刷直流电机和精密变速箱的组合,它们提供高扭矩输出和稳定的运行,使其广泛应用于工业制造、智能家居、医疗设备和机器人等各个领域。随着技术的不断进步和市场需求的扩大,有刷直流减速电机的应用价值日益凸显。 有刷直流减速电机结构及工作原理 有刷直流齿轮电机的基...
查看详情随着技术的不断进步,越来越多的行业将小型交流电机和齿轮电机纳入其设备中。作为电机行业的关键零部件,此类电机以其结构紧凑、运行稳定、适应性强等特点,广泛应用于机器人、自动化设备、家用电器等领域。 如何 小型交流齿轮电机 工作 小型交流齿轮电机结合了交流电机和齿轮减速机的优点。交流电机利用交流电驱动电机转子,产生机械能,而齿轮减速机则通过齿轮传动放大电机的...
查看详情随着自动化、智能化的不断进步,电机作为核心驱动单元的重要性日益凸显。 无刷直流齿轮电机 由于其高效、稳定、寿命长等优点,正在成为行业内的热门选择。随着市场需求的不断扩大,这些电机不仅广泛应用于机器人、智能设备、医疗设备、精密制造等领域,也正成为各大企业优化生产、提高性能的首要任务。 无刷直流减速电机的核心结构及工作原理 无刷直流齿轮电机基于无刷直流电机...
查看详情在工业传动系统中, 行星齿轮箱 以其独特的结构设计和卓越的性能,成为高精度传动的核心部件。从汽车制造到航空航天,从机器人到新能源设备,这种看似紧凑的机械设备在无数关键应用中承担着动力传输和速度调节的重任。 行星齿轮箱的核心结构:模拟天体运动的机械智慧 行星齿轮箱的名称源自其结构与太阳系中行星运动的相似性。在该装置中,太阳轮、行星齿轮、内齿圈和行星架构成...
查看详情